A1-SV35R
ブラシレスサーボモータ&ギアモータ
- Product Category
- DC Brushless motor
- Series of Product
- SVR series
- Purpose
- speed-control position-control Built-in motor driver
- Pairing Gearhead
- Parallel Shaft (平行軸ギアヘッド)
- マイコンを搭載し、レゾルバを内蔵した高機能でコストパフォーマンスに優れたブラシレスサーボモータ
- 制御回路を内蔵しているため、機器の小型化省スペース化に貢献
- レゾルバ内蔵なので、外付けエンコーダなしで位置制御が可能
- RS-485通信でパラメータ設定や運転指令の一括管理が可能
- 10台から小口、1000台単位の量産ロットのオーダーに対応
Specification
| Model A1-SV35R |
Rated | Variable Speed Range [r/min] |
Maximum Current [A] |
Start Torque [N・m] |
Mass [g] | ||||||
|---|---|---|---|---|---|---|---|---|---|---|---|
| Voltage [V] |
Output [W] |
Current [A] |
Speed [r/min] |
Torque [mN・m] | |||||||
| Specifications | DC24±10% | 25 | 1.5 | 3000 | 80 | 0~5500 | 5.0 | 0.2 | 250 | ||
| Protection | 過電流・不足電圧・過電圧・過熱・センサ欠相 | ||||||||||
| Options | RS485通信対応 | ||||||||||
| Position Control Method | 分解能:0.2°(1800P/R)・相対/絶対位置指令方式・EEPROM記憶機能 | ||||||||||
| Torque Control Method | 制限トルク設定:0~最大トルク | ||||||||||
| I/O Functions (Digital Input) |
ports:3 | 運転/停止 回転方向切替 アラームリセット |
|||||||||
| I/O Functions (Analog Input) |
ports:1 | 速度指令電圧 | |||||||||
・本仕様は暫定特性値です。お客様におかれましては、実機を使用したテストを行い十分な性能評価をお願いします。
・起動トルクは電流リミッタにより制限されます。
ギアモータの仕様
| Model | Gear Ratio [1/x] |
Rated | Start Torque [N・m] |
Variable Speed Range [r/min] |
Mass [g] |
||
|---|---|---|---|---|---|---|---|
| Output [W] |
Torque [N・m] |
Speed [r/min] | |||||
| A1-SV35R MG36P5 | 1/5 | 16(入力 18.6) | 0.34 | 600(449) | 0.86 | 0~600 | 410 |
| A1-SV35R MG36P25 | 1/25 | 15(入力 18.3) | 1.2 | 120(119) | 4.1 | 0~120 | 460 |
・定格回転速度のカッコ内は定格出力時の数値です。
・起動トルクは電流リミッタにより制限されます。
特性図
モータの連続領域

ギアモータの運転領域

MG36ギア 出力トルク 対 耐久時間(参考)
周囲温度 25 度 100×100 5t アルミ板取付 自冷
① 入力 3000 r/min 一方向連続運転
② 入力 750 r/min 一方向連続運転
③ 入力 750 r/min 一方向断続運転
(運転時間=回転 15sec+休止 45sec)
・耐久時間は周囲温度等の諸条件で変わります。
・耐久時間の判断基準は社内規定によります。
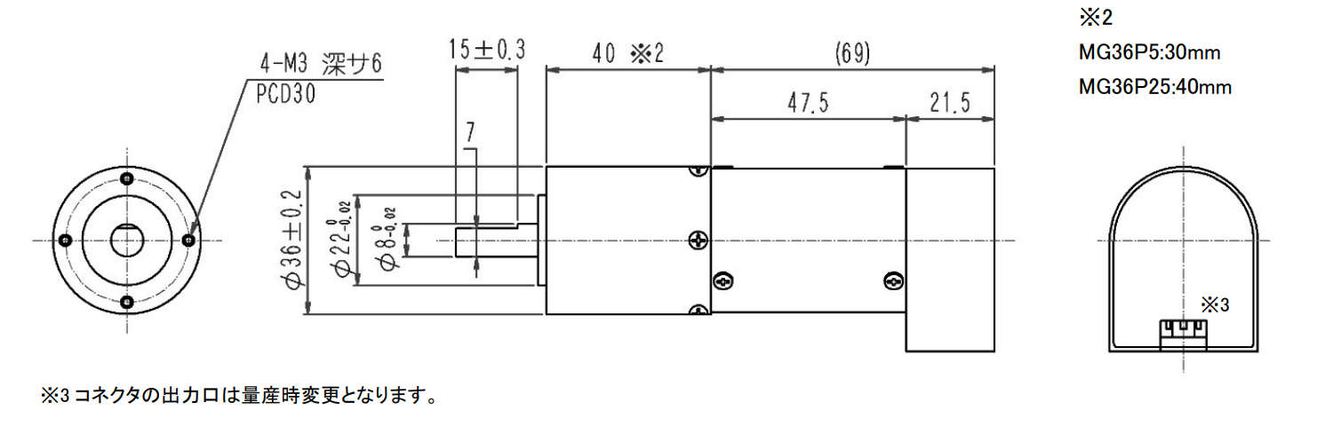
外観図
A1-SV35R 外観図

A1-SV35R + MG36ギア 外観図

MG36 外観図








